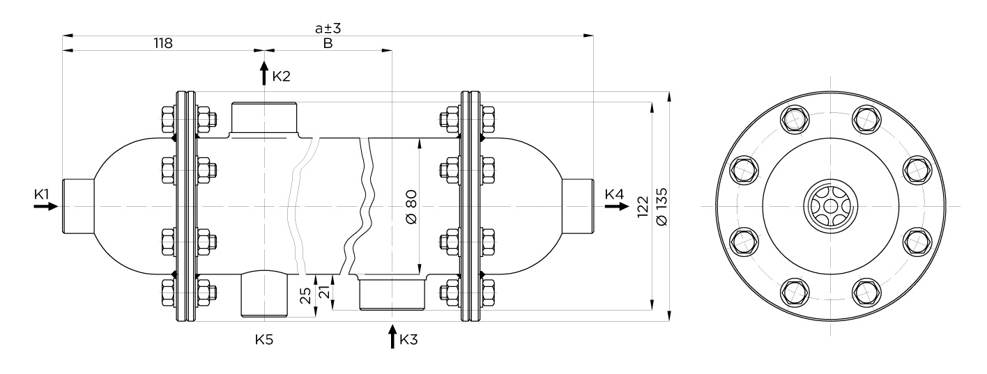
مبدل حرارتی فلنچی در سایز و ابعاد 72 فوت

“برای خرید مبدل حرارتی فلنچی در سایز و ابعاد 72 فوت و سایر تجهیزات استخر با بهترین کیفیت و قیمت، به استخر ایده‌آل مراجعه کنید. تجربه‌ای عالی و خدمات حرفه‌ای برای استخر شما در انتظار شماست.”برای دریافت راهنمایی خرید مبدل حرارتی فلنچی 72 فوت با پشتیبانی سایت تماس گرفته و از راهنمایی کارشناسان ما استفاده کنید.
پشتیبانی فروش :  (مشاوره و فروش به صورت کاملا رایگان: 09194570583)
آدرس فروشگاه استخر ایده آل : تهران – شهریار، جاده ملارد بعد از چهار راه ملارد جنب باسکول فروشگاه استخر ایده آل

برای استعلام قیمت تماس بگیرید

گارانتی اصالت و سلامت فیزیکی کالا
فروشنده : استخر ایده آل

مبدل حرارتی فلنچی 72 فوت: انتخابی بی‌نظیر برای استخرهای فوق‌العاده بزرگ

معرفی مبدل حرارتی فلنچی 72 فوت

مبدل حرارتی فلنچی 72 فوت یکی از بهترین و قدرتمندترین گزینه‌ها برای استخرهای فوق‌العاده بزرگ، هتل‌ها، و استخرهای عمومی است که به گرمایش سریع و کارآمد آب نیاز دارند. این دستگاه با طراحی پیشرفته و ظرفیت بالا، قادر است حجم زیادی از آب را به سرعت و به طور یکنواخت گرم کند و تجربه‌ای راحت و دلپذیر برای شناگران فراهم آورد.

در این مقاله، به بررسی ویژگی‌ها، مزایا و نکات مهم هنگام خرید مبدل حرارتی فلنچی 72 فوت خواهیم پرداخت.

ویژگی‌های مبدل حرارتی فلنچی 72 فوت

  1. ظرفیت بی‌نظیر برای استخرهای بزرگ مبدل حرارتی فلنچی 72 فوت با ظرفیت فوق‌العاده بالا طراحی شده است تا استخرهای بسیار بزرگ و عمومی را به سرعت و به طور مؤثر گرم کند. این دستگاه قادر است حجم زیادی از آب را در مدت زمان کوتاهی گرم کند و دمای آن را به طور یکنواخت حفظ کند.
  2. کارایی بالا و صرفه‌جویی در انرژی این مبدل با استفاده از فناوری‌های پیشرفته به شما این امکان را می‌دهد که در هزینه‌های گرمایش استخر خود صرفه‌جویی کنید. طراحی بهینه این دستگاه باعث می‌شود که انرژی کمتری مصرف کرده و عملکرد آن به طور چشمگیری افزایش یابد.
  3. کیفیت ساخت عالی و دوام طولانی مبدل حرارتی فلنچی 72 فوت از مواد مقاوم و با کیفیت بالا ساخته شده که طول عمر دستگاه را افزایش می‌دهد. این ویژگی به شما اطمینان می‌دهد که این دستگاه برای سال‌ها به طور بی‌وقفه و بدون مشکل عمل خواهد کرد.
  4. نصب آسان و سریع نصب مبدل حرارتی فلنچی 72 فوت بسیار ساده و سریع است. این ویژگی باعث می‌شود که شما بتوانید به راحتی این دستگاه را در سیستم گرمایشی استخر خود راه‌اندازی کرده و از عملکرد عالی آن بهره‌برداری کنید.

مزایای استفاده از مبدل حرارتی فلنچی 72 فوت در استخرها

  • گرمایش سریع و مؤثر: مبدل حرارتی فلنچی 72 فوت به‌طور مؤثری آب استخر را در مدت زمان کوتاه گرم کرده و به شما این امکان را می‌دهد که به سرعت از استخر خود استفاده کنید.
  • کاهش هزینه‌های انرژی: با طراحی بهینه، این دستگاه انرژی کمتری مصرف کرده و هزینه‌های عملیاتی را به‌طور چشمگیری کاهش می‌دهد.
  • مناسب برای استخرهای بزرگ و عمومی: مبدل حرارتی فلنچی 72 فوت بهترین گزینه برای استخرهایی با ابعاد بزرگ است که به سیستم گرمایشی قدرتمند نیاز دارند.
  • عملکرد پایدار در شرایط مختلف: این دستگاه تحت هر شرایط آب‌وهوایی عملکردی ثابت و بی‌نظیر دارد.

راهنمای خرید مبدل حرارتی فلنچی 72 فوت

برای خرید مبدل حرارتی فلنچی 72 فوت، باید موارد زیر را در نظر بگیرید:

  • ظرفیت استخر: باید اطمینان حاصل کنید که مبدل حرارتی انتخابی شما قادر به گرم کردن حجم آب استخر شما است.
  • سازگاری با سیستم‌های گرمایشی: مطمئن شوید که مبدل حرارتی فلنچی 72 فوت با سیستم گرمایشی موجود در استخر شما سازگار است.
  • گارانتی و خدمات پس از فروش: بررسی گارانتی و خدمات پس از فروش بسیار مهم است. این ویژگی می‌تواند در صورت بروز مشکل، خیال شما را راحت کند.

قیمت مبدل حرارتی فلنچی 72 فوت

قیمت مبدل حرارتی فلنچی 72 فوت به عوامل مختلفی از جمله ظرفیت، کیفیت ساخت، و ویژگی‌های اضافی بستگی دارد. برای دریافت مشاوره دقیق در خصوص قیمت و نحوه خرید، می‌توانید با تیم پشتیبانی استخر ایده آل تماس بگیرید. این تیم تخصصی آماده است تا شما را در خرید و انتخاب بهترین مبدل حرارتی برای استخر خود راهنمایی کند.

چرا مبدل حرارتی فلنچی 72 فوت را از استخر ایده آل خریداری کنید؟

  • کیفیت بالا: تمامی محصولات استخر ایده آل از بهترین برندها و با بالاترین کیفیت ساخته شده‌اند.
  • پشتیبانی عالی: تیم پشتیبانی استخر ایده آل در تمامی مراحل خرید و نصب همراه شما خواهد بود.
  • ارسال سریع و مطمئن: با خرید از استخر ایده آل، محصول شما در سریع‌ترین زمان ممکن ارسال خواهد شد.

ابعاد و سایز و مدل های حرارتی فلنچی در فروشگاه آنلاین استخر ایده آل

  1. مبدل حرارتی فلنچی در سایز و ابعاد ۲۷ فوت
  2. مبدل حرارتی فلنچی در سایز و ابعاد 36 فوت
  3. مبدل حرارتی فلنچی در سایز و ابعاد 54 فوت
  4. مبدل حرارتی فلنچی در سایز و ابعاد 72 فوت
  5. مبدل حرارتی فلنچی در سایز و ابعاد 90 فوت
  6. مبدل حرارتی فلنچی در سایز و ابعاد 120 فوت

راهنمای خرید مبدل حرارتی فلنچی برای استخر ایده آل

اگر به دنبال راهی برای گرم کردن یا حفظ دمای آب استخر خود به صورت بهینه و کارآمد هستید، مبدل‌های حرارتی فلنچی یکی از بهترین انتخاب‌ها برای شما هستند. در این مقاله به بررسی ویژگی‌ها، کاربردها و نکات مهم در خرید مبدل حرارتی فلنچی برای استخرهای ایده آل می‌پردازیم.

نتیجه‌گیری

اگر قصد خرید مبدل حرارتی فلنچی برای استخر ایده آل خود را دارید، باید از مبدل‌هایی استفاده کنید که ضمن ارائه کارایی بالا، مقرون به صرفه نیز باشند. با انتخاب صحیح، نه تنها هزینه‌های انرژی کاهش می‌یابد، بلکه استخر شما همیشه در دمای ایده‌آل باقی خواهد ماند.

دیدگاهها

هیچ دیدگاهی برای این محصول نوشته نشده است.

اولین نفری باشید که دیدگاهی را ارسال می کنید برای “مبدل حرارتی فلنچی در سایز و ابعاد 72 فوت”

نشانی ایمیل شما منتشر نخواهد شد. بخش‌های موردنیاز علامت‌گذاری شده‌اند *